Академия, academy ,
Тренинг по системам,
Обучение, система обучения, система подготовки специалистов,
интенсивное обучение, обучение работе на оборудовании,
обучающие клипы,
Подготовка VAR,
повышение квалификации,
отработка процессов, frfltvbz,
akademia,
akademiya,
"Академия" – технология
интенсивного обучения
Контакты,
телефон, email,
адрес, где купить, служба поддержки,
горячая линия,
почта,
написать письмо,
отправить предложение,
задать вопрос,
связаться, как связаться, отдел продаж, оставить заявку , Contact,
rjynfrns,
номер,
Контакты
+7 (495) 190-78-63, info@slomo.tv
адрес, Костякова 12, город Москва, г. Москва, Россия,
как доехать,
местоположение, как проехать,
где купить,
где приобрести,
как добраться,
где находится,
адрес офиса,
расположение,
главнфй офис, flhtc,
Adress, Address,
ул. Костякова, 12,
г. Москва,127422
служба технической поддержки,
support@slomo.tv,
suppoert@slomo.tv,
техподдержка, задать вопрос ,
служба поддержки, спросить ,
+74956100860, +74951907863
Тех.служба
support@slomo.tv
VAR системы, вар, вар системы,
Система видеопомощи арбитрам, система ВАР, Video assistant referee, VAR,
Системы для футбола,
Обрудование для футбола, все системы, все продукты,
Решения VAR для футбола, мк
Assistant VAR - AVAR, какие серии есть, какие продукты существуют, все продукты,
VAR система по футболу, видеопомощь арбитрам, система, видеосудья, ассистент ВАР, оператор VAR, футбол VAR, SLOMO.TV, технология VAR, VAR решения, рабочее место VAR, VAR функции, локальные решения VAR, мобильные решения VAR, dfh, мфк,
VAR - Системы видеопомощи
арбитрам
videoReferee®-8F,
vr 8f, сервер 2u, 2u размер, 2ю размер, какие серии есть, какие продукты существуют, все продукты,
vr-8f,
videoReferee®-8F, видео рефери
компактная videoReferee-8F,
user-native интерфейс, 2U,
videoReferee-8f,
8 каналов записи 3G*/HD,
1 рабочее место для судьи VAR/ассистента VAR/оператора повторов,
Быстрая подготовка момента для разбора. Режим циклического воспроизведения (Loop play),
Интеграция с технологией Virtual Offside Line (VOL),
Интеграция с системой внутренней судейской связи,
Вывод VAR интерфейса в зону RRA и к телевещателям. Функция графического информирования зрителей (Venue Information Graphics),
Поддержка Super Slow Motion камер*,
Регулируемая задержка отображения основной (Main camera) на мониторе VAR до 75 кадров (3х секунд),
Разбор спорного момента в нормальном и замедленном режимах,
ZOOM и покадровый просмотр записанного видео, обеспечивающий 50/60 отдельных фаз движения при работе со стандартным сигналом,
Интуитивный жестовый интерфейс – выбор камер, управление скоростью воспроизведения, ZOOM, покадровый просмотр,
Судейский пульт Control-VR – мгновенный доступ к требуемым камерам, пресетам, удобный поиск и разметка,
Оперативное создание пресетов камер и мультиэкранов,
RGB судейские кнопки – активация интеркома между видеосудьей VAR и главным судьей (разговор записывается), запуск контрольного секундомера, разметка событий.
VAR системы, вар, вар системы,
Система видеопомощи арбитрам, система ВАР, Video assistant referee, VAR,
Системы для футбола, dfh, мфк,
Обрудование для футбола, 8ф, 8эф, все системы, все продукты,
Решения VAR для футбола,
Assistant VAR - AVAR,
VAR система по футболу, видеопомощь арбитрам, система, видеосудья, ассистент ВАР, оператор VAR, футбол VAR, SLOMO.TV, технология VAR, VAR решения, рабочее место VAR, VAR функции, локальные решения VAR, мобильные решения VAR
videoReferee®-8F –
Базовая система видеопомощи арбитрам
videoReferee-Fc,
видеорефери, видео рефери, рефери по футболу
videoReferee®-fc,
компактная videoReferee-fc,сервер 4u, 4ю размер,
user-native интерфейс, 4U, какие серии есть, какие продукты существуют, все продукты,
fc, рефери fc, рефери эфси,
videoReferee®-FC – это модульная система видеопомощи арбитрам в футболе, 4U сервер,
32 3G/HD,
Одновременная поддержка до 32 3G/HD входных видеоканалов,
До 4 независимых рабочих места (VAR/Assistant VAR/Replay Operators),
Быстрая подготовка момента для просмотра VAR или главного судьи на поле,
Поддержка Super Slow Motion камер,
Регулируемая задержка отображения основной (Main camera) на мониторе VAR до 75 кадров (3х секунд). Это необходимо для того, чтобы судья, увидев спорный момент на основной камере, мог мгновенно посмотреть его повторно на своем мониторе,
Интеграция с наиболее популярной в футболе системой внутренней коммуникации судей Vokkero,
Анализ момента с обычной и замедленной скоростью,
ZOOM и хождение по кадрам и полям записанного видео (ключевой момент всегда виден и не попадает между кадрами),
Поддержка функции виртуальной офсайдной линии,
SDI видеовыход для broadcasters и для монитора, установленного в зоне просмотра повторов на поле RRA,
Специализированная клавиатура vR-Keypad на каждом рабочем месте, обеспечивающая мгновенный доступ к нужным камерам и работу с преднастроенными Квадратерами – пресетами из 2, 3, 4 камер,
Возможность оперативного создания судейского мультиэкрана из 2,3, 4 камер,
Наличие трёх (3) подсвеченных RGB судейских кнопок для включения радиообмена между VAR и главным судьей, запуска секундомера и разметки событий,
Интуитивный интерфейс при работе с мультиэкранами,
Гибкое и быстрое создание и использование мультиэкранов, все системы, все продукты, vr fc, fc ,
vr-fc,
Габариты: 4U, 19,5 кг, до 32 каналов записи видео,
videoReferee®-FC –
Модульная система в футболе (VAR)
videoReferee-st ,
видеорефери, видео рефери, рефери по футболу
videoReferee®-st ,
компактная videoReferee-st , все системы, все продукты,
user-native интерфейс, 4U, сервер 4u, 4ю размер, какие серии есть, какие продукты существуют, все продукты,
st, рефери st , рефери эсти, 4U сервер, одновременная поддержка до 12 3G/HD, 12 3G/HD
Одновременная поддержка до 12 3G/HD входных видеоканалов (16 3G/HD видеоканалов с дополнительной лицензией).
До 2 независимых рабочих мест (VAR/Assistant VAR/Replay Operators). 2-е рабочее место лицензируется опционально.
Поддержка Super Slow Motion камер, VAR система базового уровня,
Регулируемая задержка отображения основной (Main camera) на мониторе VAR до 75 кадров (3х секунд). Это необходимо для того, чтобы судья, увидев спорный момент на основной камере, мог мгновенно посмотреть его повторно на своём мониторе.
Интеграция с наиболее популярной в футболе системой внутренней коммуникации судей Vokkero.
ZOOM и хождение по кадрам и полям записанного видео, что обеспечивает 50/60 отдельных фаз движения при работе со стандартным сигналом.
Интуитивное жестовое управление с поддержкой выбора каналов, управления скоростью воспроизведения, ZOOM и по кадрового хождения.
SDI видеовыход для broadcasters и для монитора, установленного в зоне просмотра повторов на поле RRA.
Специализированная клавиатура vR-Keypad на каждом рабочем месте, обеспечивающая мгновенный доступ к нужным камерам и работу с преднастроенными Квадратерами – пресетами из 2, 3, 4 камер.
Возможность оперативного создания судейского мультиэкрана из 2,3, 4 камер.
Наличие трёх (3) подсвеченных RGB судейских кнопок для включения радиообмена между VAR и главным судьей, запуска секундомера и разметки событий.
Интуитивный интерфейс при работе с мультиэкранами.
Гибкое и быстрое создание и использование мультиэкранов.
Габариты: 4U, 19,5 кг, vr st ,
vr-st , мк, ые, ст, st ,
videoReferee®-ST –
VAR система базового уровня
Характеристики videoReferee®-8F,
тех. характеристики, технические характеристики, узнать характеристики,
все характеристики, техническая,
характеристики систем видеорефери, параметры систем
где посмотреть технические характеристики, где посмотреть технические параметры, Характеристика videoReferee 8F, Характеристика videoReferee-8F,[fhfrnthbcnbrb,
Характеристика
videoReferee®-8F
Базовая конфигурация, Комплектация videoReferee-8F, Базовая конфигурация videoReferee-8f, конфигурация 8f, Базовая конфигурация 8ф, Базовая конфигурация видеорефери 8ф, Базовая конфигурация видеорефери 8f, 8f базовая, 8f конфигурация, конфигурация 8эф, rjyajuehfwb,
Базовая конфигурация
videoReferee®-8F
videoReferee®-FC - Характеристики , техническая,
тех. характеристики, технические характеристики, узнать характеристики,
все характеристики, характеристики систем видеорефери, параметры систем
где посмотреть технические характеристики, где посмотреть технические параметры, Характеристика videoReferee fc, Характеристика videoReferee-fc, fc , [fhfrnthbcnbrb,
Характеристика
videoReferee®-FC
Базовая конфигурация, Комплектация videoReferee-FC , Базовая конфигурация videoReferee-FC , конфигурация эфси, rjyajuehfwb, конфигурация fc , Базовая конфигурация фс, Базовая конфигурация видеорефери фс , Базовая конфигурация видеорефери fc , fc базовая, fc конфигурация,
Базовая конфигурация
videoReferee®-FC
videoReferee®-ST характеристики,
тех. характеристики, технические характеристики, узнать характеристики,
все характеристики, техническая, характеристики систем видеорефери, параметры систем
где посмотреть технические характеристики, где посмотреть технические параметры, Характеристика videoReferee st , Характеристика videoReferee-st , st, [fhfrnthbcnbrb,
Характеристика
videoReferee®-ST
Базовая конфигурация videoReferee®-ST, Комплектация videoReferee-st , Базовая конфигурация videoReferee-st , конфигурация эсти, конфигурация st, Базовая конфигурация ст, Базовая конфигурация видеорефери ст, Базовая конфигурация видеорефери st , st базовая, st конфигурация, rjyajuehfwb, ST,
Базовая конфигурация
videoReferee®-ST
slomotv.ru. ООО "ПЕЛ" – официальный представитель Slomo.tv. Многоканальная запись, замедленные повторы, видеосудейство, Видеогол, камеры - Slomotv.ru. Многоканальная запись, замедленные повторы, спортивные повторы, видеосудейство, камеры, видеогол, беспроводные вворотные камеры, матч-контроллер, продажа, аренда, монтаж, обучение. о нас, о компании сломо тв, информация о компании slomo tv, О нас - узнать подробнее
Ripley,
Ripley Plus - Полнофункциональный сервер в габаритах повторного пульта,
вещательный сервер, сервер многоканальной записи, сервер замедленных повторов,
Ripley 442, Ripley Plus, какие серии есть, какие продукты существуют, все продукты,
Серверы линейки Ripley, hbgkb, кшздун, все системы, все продукты,
Рипли,
Ripley Plus
Полнофункциональный сервер
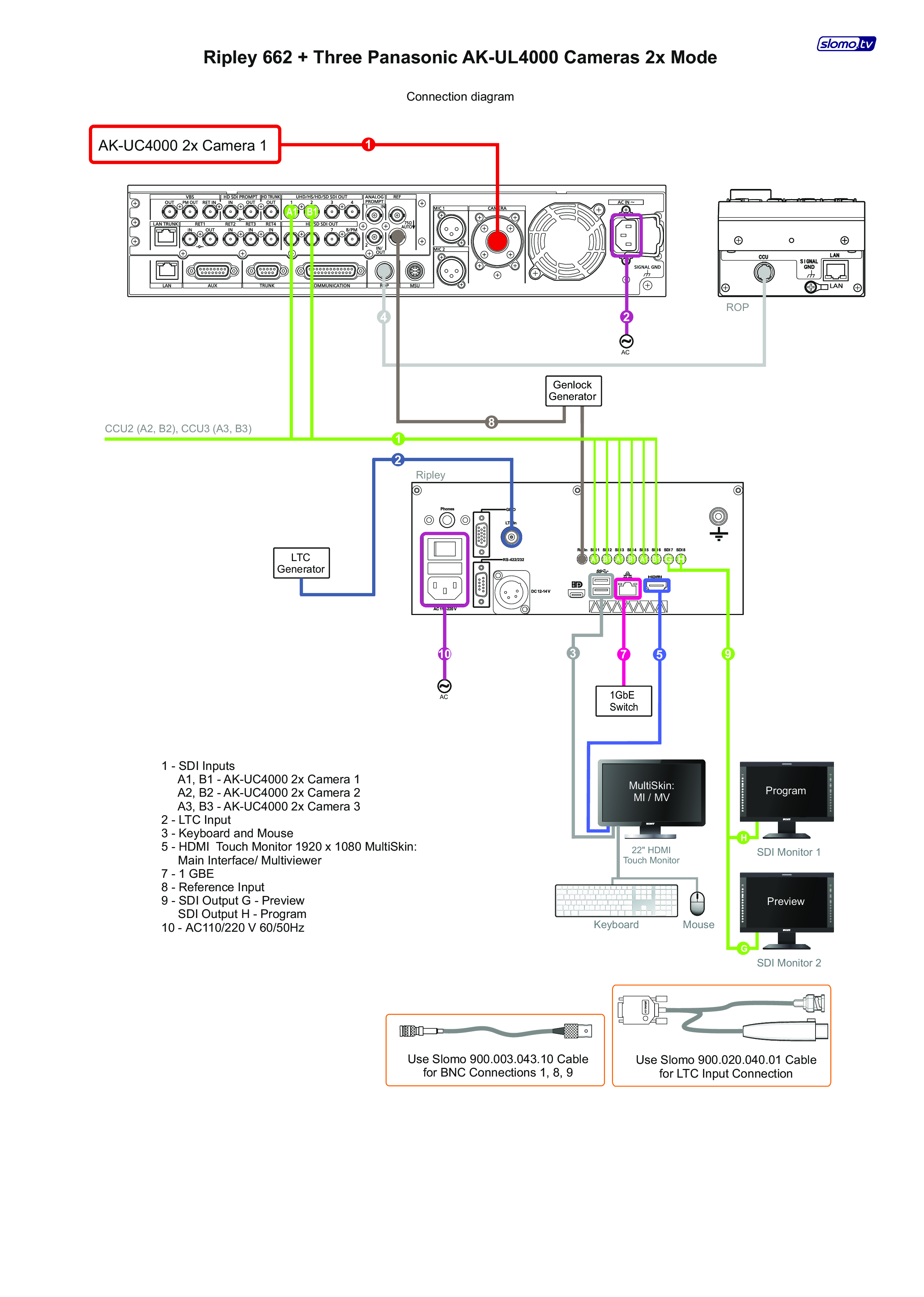
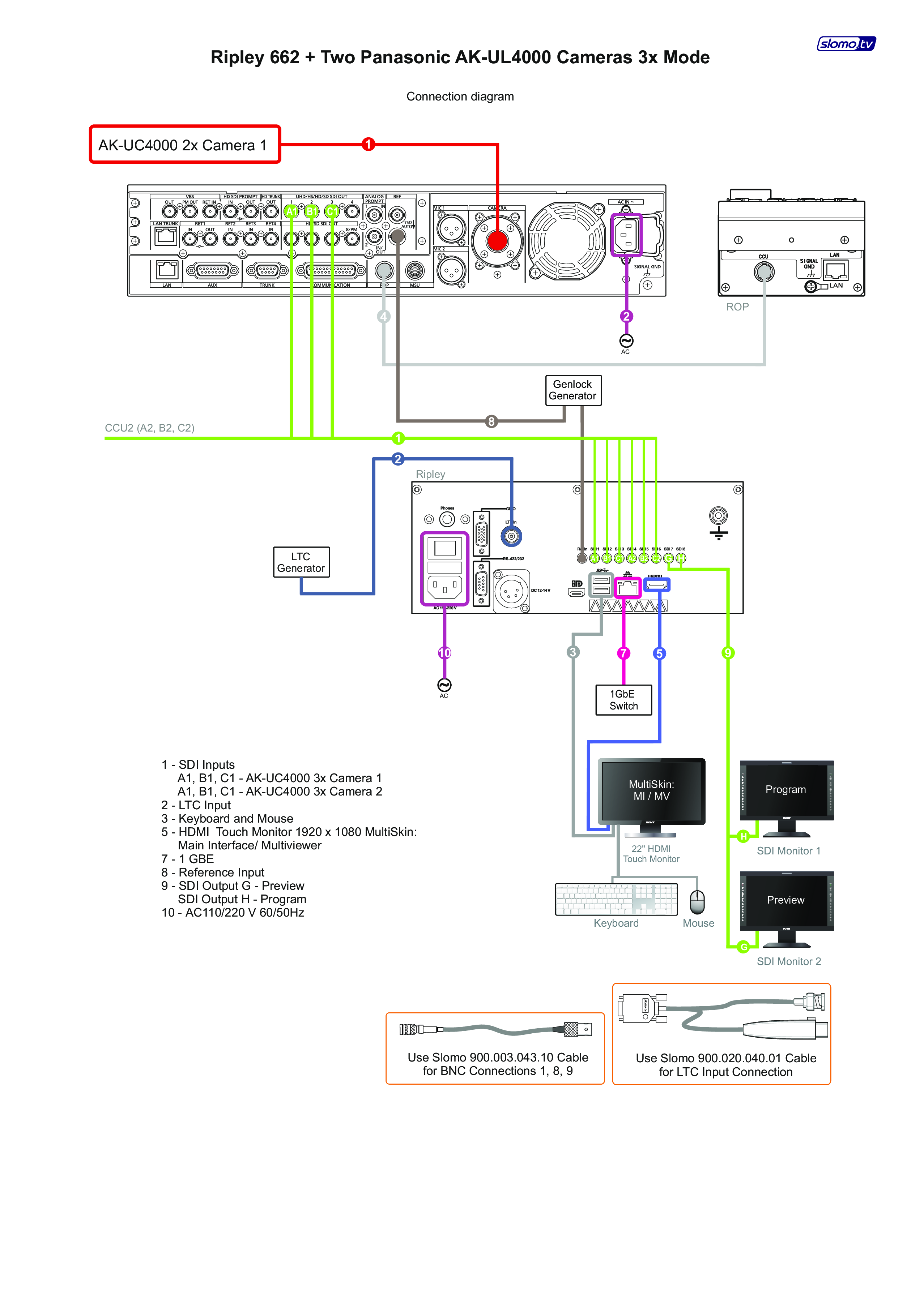
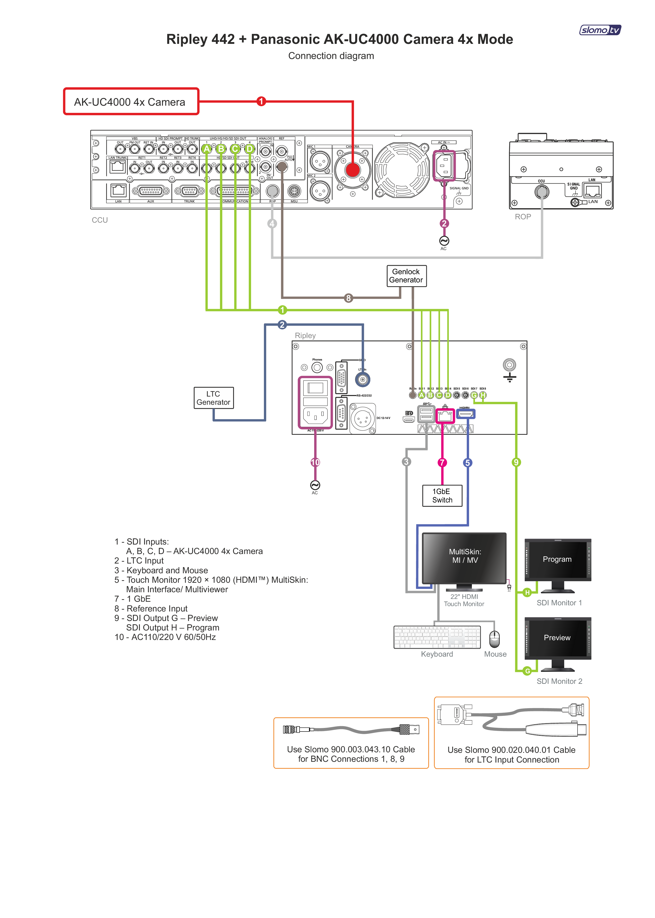
Схема подключений Ripley, ripley connection diagram, c[tvf gjlrk.xtybz,
Схема подключения
Ripley Plus
Ripley Plus характеристики, техническая,
тех. характеристики, технические характеристики, узнать характеристики,
все характеристики, характеристики систем видеорефери, параметры систем
где посмотреть технические характеристики, где посмотреть технические параметры, Характеристика Ripley, Характеристика рипли, Характеристика рипле, Характеристика Ripley, [fhfrnthbcnbrb,
Характеристика
Ripley Plus
Новости, последние новости, news, все новости, yjdjcnb, Новости
почитать, интересно и полезно, материал для чтения, статьи, интересные статьи, дополнительная информация, информация, читать, gjxbnfnm, bynthtcyj b gjktpyj, cnfnmb, xbnfnm,
Интересно и полезно
Статьи
Пресса о нас, press, пресса, почитать, материал для чтения, статьи, интересные статьи, дополнительная информация, информация, читать, публикации в прессе, публикации о нас, ghtccf j yfc, d ghtcct, gjxbnfnm, bynthtcyj b gjktpyj, cnfnmb, xbnfnm,
Пресса о нас
Статьи
словарь, словарь терминов, почитать, материал для чтения, статьи, интересные статьи, дополнительная информация, информация, читать, glossary, Глоссарий, список терминов, изучить термины, Глоссарий от SLOMO.TV, термины видеопроизводства, Словарь терминов видеопроизводства, термины профессиональной видеосъемки, Словарь видеомонтажа, глоссарий сломо, глоссарий сломо.тв, глоссарий slomo.tv, термины видеоиндустрии, Глоссарий терминов, ukjccfhbq, ckjdfhm, nthvbys, Глоссарий от SLOMO.TV
Обучение, курсы, тренинг, учеба, почитать, материал для чтения, дополнительная информация, информация, читать, rehcs, bpextybt, nhtybyub, тренировака, повышение квалификации, совершенствование, gjdsitybt rdfkbabrfwbb, training, Обучение, курсы
Наши партнеры, дилеры, мы сотрудничаем, partners, dealers, с кем сотрудничаем, lbkths, gfhnyths Наши партнеры (СНГ)
аренда, прокат оборудование, арендовать, где арендовать, как арендовать, взять в аренду, услуги аренды, Аренда систем многоканальной записи, куте, rent, fhtylf, Аренда систем
faq, Часто задаваемые вопросы, поддержка, support, вопросы, полезная информация, читать, почитать, ответ на Ваш вопрос, ответы на вопросы, фак, как работает, тренинг, термин, словарь, Общие вопросы, задать вопрос , спросить ,
FAQ
Часто задаваемые вопросы
Ограниченная гарантия, limited-warranty, какая гарантия, гарантия, о гарантии, , поддержка, support, техническое обслуживание, профилактическое обслуживание, ремонт, сервис, о гарантиях, juhfybxtyyfz ufhfynbz, j ufhfynbz[, Ограниченная гарантия
Расширенная гарантия, о гарантиях, platinum-suppor, какая гарантия, гарантия, о гарантии, , поддержка, support, техническое обслуживание, профилактическое обслуживание, ремонт, сервис, j ufhfynbz[, hfcibhtyyfz ufhfynbz, Расширенная гарантия
Поддержка, страницы поддержки, ыгззщке, support, связь со службой поддержки, Техническая поддержка компании slomo.tv, cdzpm cj cke;,jq, Поддержка, гарантия, FAQ
спортивное судейство, sports video judging, видеосудейство, видеогол, videoReferee, видеорефери, рабочее место судьи видеоповторов, решения , решение, спортивное решение , cgjhnbdyjt celtqcndj, Спортивное судейство
Спортивные повторы, slow motion instant replay, видеосудейство, видеогол, videoReferee, видеорефери, рабочее место судьи видеоповторов, решения , решение, спортивное решение , cgjhnbdyst gjdnjhs, Спортивные повторы
Технологии , DMR, ДМР, дмр технология , dmr технолония , dmr запись, lvh, дмр запись, nt[yjkjubb, DMR™ Запись систем нелинейного монтажа
Apple ProRes, ProRes Apple, Технологии , эпл прорес, прорес, программного обеспечения Apple Final Cut, поддержка кодека Apple, технология , nt[yjkjubz ghjhtc, ProRes, Apple
Многоканальная запись, спортивные спортивное , многоканальная запись видео, большое количество каналов, Multi-channel recording, Multi channel recording, решения , решение, спортивное решение , vyjujrfyfkmyfz pfgbcm, Многоканальная запись
услуги, сервис, Расширенная гарантия
услуги, сервис, Обучение работе с системами
Замедленные повторы, Аренда систем замедленных видеоповторов, pfvtlktyyst gjdnjhs, Замедленные повторы
видеосудейство, Видеосудейства, videosudeistvo, Аренда систем Видеосудейства, dbltjceltqcndj, Видеосудейство
Серия Simple R , Simple R серия, какие серии есть, какие продукты существуют, все продукты, все системы, все продукты, симпл, cthbz simple r , ышьзду к, cbvgk, Серия Simple R
Simple R II, Simple R 2, какие серии есть, какие продукты существуют, все продукты, все системы, все продукты, симпл, cbvgk, симпл р2, Simple R II сервер
Simple R 2m, simple r2m, Simple R IIM, какие серии есть, какие продукты существуют, все продукты, все системы, все продукты, симпл, Simple R два м, cbvgk, Simple R IIM сервер
Simple R3, Simple R III, какие серии есть, какие продукты существуют, все продукты, все системы, все продукты, симпл, simple r три , ышьзду к, cbvgk, Simple R III сервер
Серия arrow, arrow серия, арров, какие серии есть, какие продукты существуют, все продукты, аров, фккщц, все системы, все продукты, cthbz arrow , Серия Arrow
Серия videoReferee, videoReferee серия, cthbz videoReferee , какие серии есть, какие продукты существуют, все продукты, видеорефери, все системы, все продукты, мшвущкуаукуу, Серия videoReferee®
Камеры, camera, видеокамеры, какие продукты существуют, все продукты, mini-II-vR-Cam, mini-II-GoalNetCam, mini 2, vR Cam, мини 2, мини два, виэр камера, специализированная вворотная камера для систем Видеогол (Videogoal), вворотные камеры, видеогол, системы видеогол, cbcntvs dbltjujk, Модели камер, все системы, все продукты, rfvths, dbltjrfvths, ddjhjnyst rfvths, cgtwbfkbpbhjdfyyst rfvths, vjltkb rfvth, Специализированные видеокамеры
mini-II-vR-Cam, Камеры, camera, видеокамеры, какие продукты существуют, все продукты, mini-II-vR-Cam, mini 2, vR Cam, мини 2, мини два, виэр камера, специализированная вворотная камера для систем Видеогол (Videogoal), вворотные камеры, видеогол, системы видеогол, Модели камер, vjltkb rfvth, rfvths, dbltjrfvths, ddjhjnyst rfvths, cgtwbfkbpbhjdfyyst rfvths, cbcntvs dbltjujk, mini-II-vR-Cam
mini-II-GoalNetCam, GoalNetCam, голнеткам, гол нет кам, goal net cam, mini II GoalNetCam, мини два гол нет камера, Камеры, camera, видеокамеры, какие продукты существуют, все продукты, mini 2, мини 2, мини два, специализированная вворотная камера для систем Видеогол (Videogoal), вворотные камеры, видеогол, системы видеогол, cbcntvs dbltjujk, Модели камер, vjltkb rfvth, rfvths, dbltjrfvths, ddjhjnyst rfvths, cgtwbfkbpbhjdfyyst rfvths, mini-II-GoalNetCam
Матч-контроллер, Control-MC, компактный судейский пульт, match controller, mc, Многофункциональная система хронометража, фиксации игровых событий и информационной поддержки арен и трансляций, контрл , rjynhk, contrl mc, контрл, vfnx-rjynhjkkth, какие продукты существуют, все продукты,
Матч-контроллер
Control-MC
Технические характеристики Control-MC, характеристика, nt[ybxtcrbt [fgfrnthbcnbrb,
Характеристика матч-контроллера
Control-MC
Arrow 3 , арров 3 , система arrow 3, описание arrow 3, arrow, Arrow III, мощный и доступный сервер замедленных повторов и многоканальной записи вещательного класса, какие продукты существуют, все продукты, третий арров, третий ароув, ароув 3, аров 3, fhhjd, фккщц, Arrow III сервер
Характеристика Arrow III, Характеристики, тех. характеристики Arrow 3, технические характеристики, узнать характеристики, все характеристики, техническая, характеристики систем видеорефери, параметры систем, где посмотреть технические характеристики, где посмотреть технические параметры, [fhfrnthbcnbrb,
Характеристика
Arrow III
Arrow 5 , арров 5 , система arrow 5, описание arrow 5, arrow, Arrow V, мощный и доступный сервер замедленных повторов и многоканальной записи вещательного класса, какие продукты существуют, все продукты, пятый арров, пятый ароув, ароув 5, аров 5, fhhjd, фккщц, Arrow V сервер
Характеристика Arrow V, Характеристики, тех. характеристики Arrow 5, технические характеристики, узнать характеристики, все характеристики, техническая, характеристики систем видеорефери, параметры систем, где посмотреть технические характеристики, где посмотреть технические параметры, [fhfrnthbcnbrb,
Характеристика
Arrow V
fulcrum, Мощные 4U серверы, 4U, Fulcrum AT/12G, 4K/3G/HD, мощные сервера, линейка серверов, какие серии есть, какие продукты существуют, все продукты, все системы, все продукты, фулкрум, агдскгь, Fulcrum AT/12G сервер
Dominator, Вщьштфещк, доминатор, Мощные 4U серверы, 4U, Dominator AT, мощные сервера, линейка серверов, какие серии есть, какие продукты существуют, все продукты, все системы, все продукты, ljvbyfnjh , Dominator AT сервер
BlackJack AT/4K сервер, блэк джек, блэкджек, блекджек, блек джек, Мощные 4U серверы, 4U, линейка серверов, какие серии есть, какие продукты существуют, все продукты, все системы, все продукты, мощные сервера, BlackJack AT/4K сервер
videoReferee SR сервер, видеорефери ср сервер, 1U серверы, 1U, линейка серверов, какие серии есть, какие продукты существуют, все продукты, все системы, Серия videoReferee, videoReferee серия, cthbz videoReferee , мшвущкуаукуу, sr, ср, эсэр сервер, videoReferee®-SR сервер
videoReferee b сервер, видеорефери б сервер, 2U серверы, 2U, линейка серверов, какие серии есть, какие продукты существуют, все продукты, все системы, Серия videoReferee, videoReferee серия, cthbz videoReferee , мшвущкуаукуу, videoReferee®-B сервер
videoreferee vhl2g, vhl 2g сервер, видеорефери вх2г сервер, 4U серверы, 4U, линейка серверов, какие серии есть, какие продукты существуют, все продукты, все системы, Серия videoReferee, videoReferee серия, cthbz videoReferee , мшвущкуаукуу, мрд2п videoReferee®-VHL2G сервер
videoreferee-4, videoreferee 4, видеорефери 4, видеорефери-4, видеорефери четыре, 4U серверы, 2u серверы, 4U, 2u, линейка серверов, какие серии есть, какие продукты существуют, все продукты, все системы, Серия videoReferee, videoReferee серия, cthbz videoReferee , мшвущкуаукуу, videoReferee-4 включает 3 платформы – videoReferee-4, videoReferee-4A и videoReferee-4G, videoReferee 4, videoReferee 4A, videoReferee 4G, серия videoReferee®-4
videoreferee-V, videoreferee 5, videoreferee-5, 4U серверы, 4U, линейка серверов, какие серии есть, какие продукты существуют, все продукты, все системы, Серия videoReferee, Сервер videoReferee®-V
videoreferee-jr, videoreferee jr, видеорефери jr, линейка серверов, какие серии есть, какие продукты существуют, все продукты, все системы, Серия videoReferee, Сервер videoReferee® Jr.
SafeGuard сервер, 1U , 1U серверы , Компактный сервер резервной записи, линейка серверов, какие серии есть, какие продукты существуют, все продукты, все системы, Серия SafeGuard, ыфаупгфкв ыукмук, Сервер SafeGuard
MX-Coder сервер, мх кодер, mx, линейка серверов, какие серии есть, какие продукты существуют, все продукты, все системы, Серия mx coder, ьч-сщвук, Сервер MX-Coder
Характеристика Simple R II, Характеристики, тех. характеристики, технические характеристики, узнать характеристики, все характеристики, техническая, характеристики систем видеорефери, параметры систем, где посмотреть технические характеристики, где посмотреть технические параметры, Характеристика симпл р 2, [fhfrnthbcnbrb,
Характеристика
Simple R II
Характеристика Simple R IIM, Характеристики, тех. характеристики, технические характеристики, узнать характеристики, все характеристики, техническая, характеристики систем видеорефери, параметры систем, где посмотреть технические характеристики, где посмотреть технические параметры, Характеристика симпл м, [fhfrnthbcnbrb,
Характеристика
Simple R IIM
Характеристика Simple R III, Характеристики, тех. характеристики, технические характеристики, узнать характеристики, все характеристики, техническая, характеристики систем видеорефери, параметры систем, где посмотреть технические характеристики, где посмотреть технические параметры, Характеристика симпл 3, [fhfrnthbcnbrb,
Характеристика
Simple R III
Характеристика Fulcrum AT, Характеристики, тех. характеристики, технические характеристики, узнать характеристики, все характеристики, техническая, характеристики систем видеорефери, параметры систем, где посмотреть технические характеристики, где посмотреть технические параметры, Характеристика симпл 3, фулкрум , [fhfrnthbcnbrb,
Характеристика
Fulcrum AT
Характеристика Dominator AT, Характеристики, тех. характеристики, технические характеристики, узнать характеристики, все характеристики, техническая, характеристики систем видеорефери, параметры систем, где посмотреть технические характеристики, где посмотреть технические параметры, Характеристика доминатор ат, вщьштфещк , ljvbyfnjh , [fhfrnthbcnbrb,
Характеристика
Dominator AT
Характеристика BlackJack AT/4K, Характеристики, тех. характеристики, технические характеристики, узнать характеристики, все характеристики, техническая, характеристики систем видеорефери, параметры систем, где посмотреть технические характеристики, где посмотреть технические параметры, Характеристика блекджек, идфслофсл , ,ktrl;tr ,
Характеристика
BlackJack AT/4K
Характеристика videoReferee-SR, videoReferee SR, Характеристики, тех. характеристики, технические характеристики, узнать характеристики, все характеристики, техническая, характеристики систем видеорефери, параметры систем, где посмотреть технические характеристики, где посмотреть технические параметры, видеорефери , мшвущкуаукуу , [fhfrnthbcnbrb, Характеристика dbltjhtathb,
Характеристика
videoReferee®-SR
Характеристика videoReferee-B, videoReferee B, Характеристики, тех. характеристики, технические характеристики, узнать характеристики, все характеристики, техническая, характеристики систем видеорефери, параметры систем, где посмотреть технические характеристики, где посмотреть технические параметры, Характеристика dbltjhtathb, видеорефери , мшвущкуаукуу , [fhfrnthbcnbrb,
Характеристика
videoReferee®-B
Характеристика videoReferee-vhl, videoReferee vh , VHL2G , Характеристики, тех. характеристики, технические характеристики, узнать характеристики, все характеристики, техническая, характеристики систем видеорефери, параметры систем, где посмотреть технические характеристики, где посмотреть технические параметры, Характеристика dbltjhtathb, видеорефери , мшвущкуаукуу , [fhfrnthbcnbrb,
Характеристика
videoReferee®-VHL2G
Характеристика videoReferee-4, videoReferee 4 , видеорефери четыре , Характеристики, тех. характеристики, технические характеристики, узнать характеристики, все характеристики, техническая, характеристики систем видеорефери, параметры систем, где посмотреть технические характеристики, где посмотреть технические параметры, Характеристика dbltjhtathb, видеорефери , мшвущкуаукуу , [fhfrnthbcnbrb,
Характеристика
videoReferee®-4
Характеристика videoReferee-5, videoReferee v , видеорефери пять , Характеристики, тех. характеристики, технические характеристики, узнать характеристики, все характеристики, техническая, характеристики систем видеорефери, параметры систем, где посмотреть технические характеристики, где посмотреть технические параметры, Характеристика dbltjhtathb, видеорефери , мшвущкуаукуу , [fhfrnthbcnbrb,
Характеристика
videoReferee®-V
Характеристика videoReferee-jr., videoReferee jr , видеорефери джи , Характеристики, тех. характеристики, технические характеристики, узнать характеристики, все характеристики, техническая, характеристики систем видеорефери, параметры систем, где посмотреть технические характеристики, где посмотреть технические параметры, Характеристика dbltjhtathb, видеорефери , мшвущкуаукуу , [fhfrnthbcnbrb,
Характеристика
videoReferee® Jr.
Характеристика mini 2 vr cam, videoReferee jr , Характеристики, тех. характеристики, технические характеристики, узнать характеристики, все характеристики, техническая, характеристики систем видеорефери, параметры систем, где посмотреть технические характеристики, где посмотреть технические параметры, Характеристика, mini-II-vR-Cam, mini 2, vR Cam, мини 2, мини два, виэр камера, камеры, [fhfrnthbcnbrb,
Характеристика
mini-II-vR-Cam
Характеристика mini 2 vr GoalNetCam, goal, Характеристики, тех. характеристики, технические характеристики, узнать характеристики, все характеристики, техническая, характеристики систем видеорефери, параметры систем, где посмотреть технические характеристики, где посмотреть технические параметры, Характеристика, mini-II-GoalNetCam, mini 2, vR Cam, мини 2, мини два, виэр камера
голнеткам, гол нет кам, goal net cam, мини два гол нет камера, Камеры, видеогол, системы видеогол, Модели камер, vjltkb rfvth, [fhfrnthbcnbrb,
Характеристика
mini-II-GoalNetCam
Подписаться на E-mail рассылку, subscribe, оформить подписку, рассылка ,
Подписаться на
E-mail рассылку
Simple r2, Базовая конфигурация simple, Комплектация simple r2 , Базовая конфигурация simple-r2 , конфигурация симпл, конфигурация rII, Базовая конфигурация р2, Базовая конфигурация симпл р2, r2 базовая, r2 конфигурация, rjyajuehfwb,
Базовая конфигурация
Simple R II
Simple r2m, Базовая конфигурация simple, Комплектация simple r2m , Базовая конфигурация simple-r2 m , конфигурация симпл, конфигурация rIIm, Базовая конфигурация р2м, Базовая конфигурация симпл р2м, r2m базовая, r2m конфигурация, rjyajuehfwb,
Базовая конфигурация
Simple R IIM
Simple r3, Базовая конфигурация simple, Комплектация simple r3 , Базовая конфигурация simple-r3 , конфигурация симпл, конфигурация rIII, Базовая конфигурация р3, Базовая конфигурация симпл р3, r3 базовая, r3 конфигурация, rjyajuehfwb,
Базовая конфигурация
Simple R III
2U сервер повторов Arrow III с 8 двунаправленными SDI I/O
Для HD: 7 Записи + 7 Поиска + 2 Воспроизведения + FX
Для 3G: 6 Записи + 6 Поиска + 2 Воспроизведения + FX (требует дополнительную лицензию)
3 встроенных DMR™ Rack
10 GbE сетевой интерфейс
Дисковый массив на основе SSD дисков
Специализированный пульт повторов Control ZR
Кабель для подключения пульта повторов
USB Recovery Stick
1.0/2.3 BNC-адаптеры (9 шт)
Комплект кабелей:
Кабель электропитания;
Кабель для подключения LTC Timecode;
Кабель для подключения GPIO., Базовая конфигурация Arrow 3, Комплектация arrow-3 , Базовая конфигурация arrow-3 , конфигурация ароув, Базовая конфигурация арров, rjyajuehfwb,
Базовая конфигурация
Arrow III
2U сервер повторов Arrow V с 16 двунаправленными SDI I/O
Для HD: 14 Записи + 14 Поиска + 2 Воспроизведения + FX
Для 3G: 14 Записи + 14 Поиска + 2 Воспроизведения + FX (требует дополнительную лицензию)
3 встроенных DMR™ Rack
1 GbE сетевой интерфейс
Дисковый массив на основе SSD дисков
Специализированный пульт повторов Control ZR
Кабель для подключения пульта повторов Control ZR
USB Recovery Stick
1.0/2.3 BNC-адаптеры (17 шт.)
Комплект кабелей:
Кабель электропитания;
Кабель для подключения LTC Timecode;
Кабель для подключения GPIO.
Базовая конфигурация Arrow 5, Комплектация arrow-5 , Базовая конфигурация arrow-V , конфигурация ароув, Базовая конфигурация арров, rjyajuehfwb,
Базовая конфигурация
Arrow V
4U сервер с поддержкой до 14 3G/HD каналов и 6 каналов 4K (опционально):
Для 3G/HD: 14 Rec + 14 Search + 2 Play + FX (включено)
Для 4K: 6 Rec + 6 Search + 2 Play + FX (требует дополнительную лицензию)
8 встроенных DMR™ Rack
10 GbE сетевой интерфейс
Дисковый массив на базе SSD дисков
Специализированный пульт повторов Control ZR
Кабель для подключения пульта повторов
USB Recovery Stick
Комплект кабелей:
Кабель электропитания;
Кабель для подключения LTC Timecode;
Кабель для подключения GPIO.
Базовая конфигурация Dominator AT, Комплектация Dominator-AT , Базовая конфигурация Dominator-AT , конфигурация систем Доминатор, Базовая конфигурация Доминатор, rjyajuehfwb,
Базовая конфигурация
Dominator AT
Видеогол – система видеофиксации и повторов в хоккее, предназначенная для разрешения спорных моментов во время матча. Полноценная система судейского процесса, регламентируется правилами игры в хоккей для КХЛ , ВХЛ , МХЛ , videogoal, системы для хоккея, Системы для хоккейных клубов, Системы для хоккейных клубов













